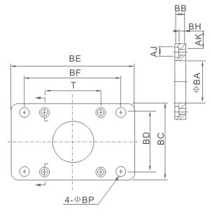
ISO-FA/FB型法蘭板
氣缸
- DNC系列標準氣缸(ISO6431)
- DNG系列標準氣缸 (ISO15552)
- SI系列標準氣缸(ISO6431)
- SC/SU系列標準氣缸
- MB系列標準氣缸
- CA2系列標準氣缸
- XEN/XNEG 系列導(dǎo)桿氣缸
- MA6432系列迷你氣缸(ISO6432)
- MA系列迷你氣缸
- MAL系列迷你氣缸
- CM2系列迷你氣缸
- CJ2系列迷你氣缸
- ADVU系列薄型氣缸
- ADN系列薄型氣缸(ISO21287)
- SDA系列薄型氣缸
- ACQ系列薄型氣缸
- CQ2系列薄型氣缸
- CJP系列針型氣缸
- TN系列雙缸氣缸
- CXS系列雙缸氣缸
- CU系列自由安裝氣缸
- STM系列滑臺氣缸
- MGP系列帶導(dǎo)桿氣缸
- RSQ系列定程桿氣缸
- XCK 系列夾緊氣缸
- MSQ系列齒桿式回轉(zhuǎn)擺動氣缸
- CRQ2系列薄型齒條式旋轉(zhuǎn)擺動氣缸
- CRA1系列齒條式旋轉(zhuǎn)擺動氣缸
- XH系列氣動手指
- XHSH系列平行開閉型氣動手指
- SRC系列旋轉(zhuǎn)氣缸
- ACK系列轉(zhuǎn)角氣缸
- MXH系列小型直線導(dǎo)軌氣動滑臺
- MXS系列氣動滑臺
- MXQ系列氣動滑臺
- CRB2系列葉片式擺動氣缸
- MRHQ系列大型葉片式擺動氣缸
- MSUB高精度型葉片式擺動氣缸
- MU系列橢圓形活塞氣缸(桿不回轉(zhuǎn))
- CY3系列無桿氣缸
- 氣缸套件
- ISO標準氣缸附件
- 標準氣缸附件
- 迷你氣缸附件
- 氣缸管&活塞桿
- 磁性開關(guān)
- 油壓緩沖器
氣源處理件
換向閥
流體電磁閥
外形尺寸
| 符號/缸徑 | 32 | 40 | 50 | 63 | 80 | 100 | 125 | 160 | 200 |
| AJ | 11 | 11 | 14 | 14 | 17 | 17 | 19 | 25 | 25 |
| AK | 7 | 7 | 9 | 9 | 11 | 11 | 13 | 17 | 17 |
| BA | 30.5 | 35.5 | 40.5 | 45.5 | 45.5 | 55.5 | 60.5 | 65.5 | 75.5 |
| BB | 10 | 10 | 12 | 12 | 16 | 16 | 20 | 20 | 25 |
| BC | 47 | 53 | 65 | 75 | 95 | 115 | 140 | 180 | 220 |
| BD | 32 | 36 | 45 | 50 | 63 | 75 | 90 | 115 | 135 |
| BE | 80 | 90 | 110 | 125 | 154 | 186 | 224 | 280 | 320 |
| BF | 64 | 72 | 90 | 100 | 126 | 150 | 180 | 230 | 270 |
| BH | 4 | 4 | 4 | 6 | 6 | 6 | 8 | 8 | 12 |
| BP | 7 | 9 | 9 | 9 | 12.5 | 14.5 | 16.5 | 18.5 | 24 |
| T | 32.5 | 38 | 46.5 | 56.5 | 72 | 89 | 110 | 140 | 175 |


